Запатентовано устройство для увеличения производительности ускорителей
Патенты, 21 января 2022
Патент получен Объединенным институтом ядерных исследований. «Устройство для формирования пилообразного напряжения на конденсаторе» позволяет решать проблему кратного повышения производительности установки, в которой оно будет использовано. Так, в ОИЯИ ожидается применение в новом протонном ускорителе MSC-230, предназначенном для лечения онкологических заболеваний. Помимо ускорительной техники, изобретение может быть использовано для более быстрой зарядки мобильных телефонов и электромобилей.
Авторы изобретения В. И. Смирнов и С. Н. Доля
ОИЯИ получил патент «Устройство для формирования пилообразного напряжения на конденсаторе», авторами которого являются ученые Лаборатории ядерных проблем ОИЯИ Сергей Доля и Виктор Смирнов. Новое изобретение продолжает идею, защищенную в их предыдущем патенте «Устройство для резонансного заряда конденсатора», которое было признано Федеральной службой по интеллектуальной собственности РФ одним из ста лучших изобретений России за второе полугодие 2020 года.
С помощью первого по времени изобретения ученым удалось добиться подъема напряжения на конденсаторе в электрической цепи, затем перед ними встала задача более частного характера. «Мы сделали уточнение, что можно не только резонансно заряжать конденсатор до высоких напряжений, но этим же методом можно получать пилообразное напряжение на конденсаторе», — рассказал соавтор изобретения Сергей Доля.
Ранее в протонных типах ускорителей использовалась по назначению лишь четверть пучка заряженных частиц. Новое устройство для формирования пилообразного напряжения на конденсаторе позволит повысить плотность пучка и свести потери к минимуму.
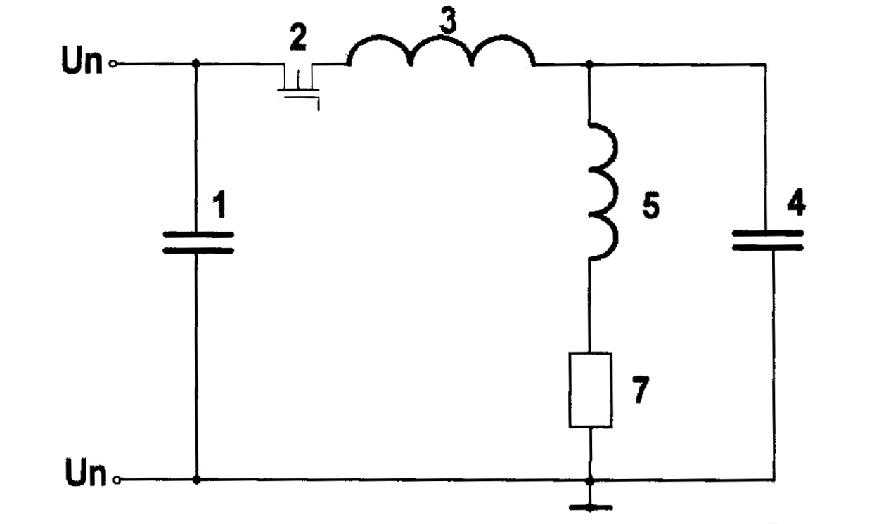
Принцип действия изобретения описывается в статье С. Н. Доли и В. И. Смирнова «Многоступенчатый резонансный заряд конденсатора», опубликованной в журнале «Силовая электроника» № 6 за 2021 год. В статье, в частности, отмечается, что многократного увеличения напряжения по сравнению с двойным напряжением источника питания на заряжаемом конденсаторе можно достигнуть, если осуществить многоступенчатый заряд/перезаряд конденсатора, вводя в схему второго индуктивного накопителя энергии, в котором она запасается во время заряда конденсатора от источника питания и передается в конденсатор после окончания его заряда от источника питания путем перезаряда его через этот индуктивный накопитель.
Отмечается, что в этом случае за первый цикл напряжение на конденсаторе по абсолютной величине превысит напряжение источника питания более чем в 2 раза (теоретически в 2,5 раза), но будет противоположного знака. За несколько таких циклов напряжение на заряжаемом конденсаторе может в десятки раз превысить напряжение источника питания. Величина конечного напряжения на конденсаторе ограничивается величиной активного сопротивления в цепи перезаряда конденсатора и допустимыми напряжениями на элементах схемы.
Технический проект Медицинского сверхпроводящего циклотрона на 230 МэВ ускорителя был подготовлен Объединенным институтом в конце 2021 года, в планах ОИЯИ – создать такой ускоритель в каждой стране-участнице.

