Получен патент на устройство для резонансного заряда конденсатора
Патенты, 30 ноября 2020
Отдел лицензий и интеллектуальной собственности ОИЯИ сообщает, что 26 октября 2020 года Объединенным институтом ядерных исследований был получен патент на изобретение «Устройство для резонансного заряда конденсатора». Авторами работы являются Доля Сергей Николаевич и Смирнов Виктор Иванович.
Поздравляем авторов с получением патента на изобретение!
Подробнее об изобретении
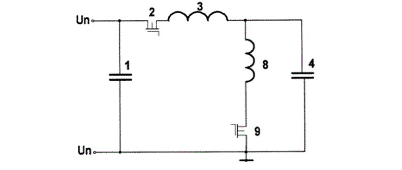
Устройство для резонансного заряда конденсатора относится к области электротехники и преобразовательной техники и может применяться для питания импульсных нагрузок. Изобретение решает техническую задачу заряда конденсатора до напряжения, в несколько раз превышающего напряжение источника питания, и сокращения времени заряда. Устройство включает источник питания, последовательно подключенный к нему транзистор, индуктивность и конденсатор. Параллельно конденсатору подключены перезарядная индуктивность и ограничивающий транзистор. Благодаря перезаряду конденсатора до напряжения противоположного знака, амплитуды тока заряда от цикла к циклу возрастают по величине и тем самым от цикла к циклу увеличивается энергия, передаваемая конденсатору, и сокращается время заряда конденсатора. 4 ил.
Обращаем Ваше внимание
До публикации статьи о своей научно-технической разработке сотрудники ОИЯИ могут обратиться в Отдел лицензий и интеллектуальной собственности для оформления заявки на патент.
Адрес: площадка ЛЯП, корп. 113, 1-й этаж, комн. 101-103
e-mail: grlan@jinr.ru
тел.: +7 (496) 216-58-62, 216-29-90.

